Механізм WC AGB Mediana Evolution B011025034 матовий хром 96мм (16002)

Все про товар
Характеристики
Відгуків
0
Питання
0
В наявності
Артикул: 16002
Відгуки: 0
Знайшли дешевше?
607 грн.
Характеристики: (Дивитись усі)
Тип номенклатури
Механізми міжкімнатні Італія
Backset
50
Висота
18
Глибина
196
Додаткові параметри
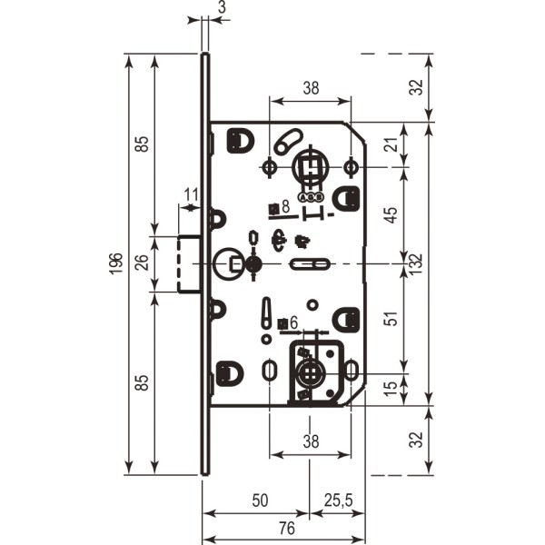
Міжцентрова відстань, мм 96; Видалення квадрата під ручку, мм: 50; Габарити: 18x196x76 мм. Ресурс більше 500 000 циклів.
Колір
Хром матовий
Опис
Механізм WC AGB Mediana Evolution для міжкімнатних дверей у кольорі матовий хром, виготовлений з високоміцного металу. Корпус механізму захищений від попадання пилу або стружки деревини. Монтаж простий і не вимагатиме спеціальних навичок. Реверсивність засувки дозволяє встановлювати його на двері лівого та правого відчинення. Італії), надійність, сучасні технології, безшумність роботи та простоту використання. Все це досягається за рахунок використання в конструкції замку поліамідних матеріалів та запатентованої системи QUICK LATCH©.

QUICK LATCH© - це система швидкого кріплення клямки, яка дозволяє буквально за хвилину змінити напрямок її закривання . Вистачить кількох секунд, щоб її витягнути, повернути в потрібну сторону з урахуванням напрямку відчинення дверей і знову вставити в гніздо, закріпивши клацанням. Evolution забезпечує максимальну міцність і безшумність при ударі об запірну планку.

Тепер поворот ручки всього 30про< /strong>, і навіть коли засувка заблокована ключем, ручка обертається вільно, виключаючи випадкову поломку замка.

Замок Mediana EVOLUTION пройшов тест на відкривання-закривання (UNI 9173:1988) обсягом понад 500.000 циклів при незмінної працездатності.

Технічні характеристики:
Механізм WC AGB Mediana Evolution
Тип дверей: дерево;
Тип засувки: Реверсивна;
Міжцентрова відстань, мм 96; Видалення квадрата під ручку, мм: 50; Габарити: 18x196x76 мм.

Характеристики
Основные характеристики
Тип номенклатури
Механізми міжкімнатні Італія
Backset
50
Висота
18
Глибина
196
Додаткові параметри
Міжцентрова відстань, мм 96; Видалення квадрата під ручку, мм: 50; Габарити: 18x196x76 мм. Ресурс більше 500 000 циклів.
Колір
Хром матовий
Країна виробник
Італія
Міжцентрова відстань
96
Матеріал
Сталь
Основний колір
Хром
Принцип кріплення
Врізний
Рейтинг
15
Тип механізму
Під фіксатор
Тип товарів
Замки для міжкімнатних дверей
Тип товару
Механізм замку
Торгова марка
AGB
Ширина
76
Відгуки
0 / 5
середній рейтинг товару
0
0
0
0
0

Немає відгуків про цей товар, станьте першим, залиште свій відгук.

Питання та відповіді

Немає питань про даний товар, станьте першим і задайте своє питання.

- Новою Поштою по Україні
- Укрпоштою по Україні
- Накладений платіж
- Оплата online (Visa/MasterCard)
- Оплата на рахунок
- Актуальна наявність та ціна
- 100% оригінальний товар
- Повернення протягом 14 днів з моменту отримання товару
Механізм WC AGB Mediana Evolution B011025034 матовий хром 96мм (16002)
607 грн.
Гарантія якості Гарантія якості
Весь товар сертифіковано та перевірене на знак якості
Швидка доставка Швидка доставка
Швидка доставка по всій країні на наступний день
Клієнтський сервіс Клієнтський сервіс
Служба підтримки клієнтів 24/7 без вихідних
Бонуси за покупки Бонуси за покупки
Нарахування бонусних балів за кожну покупку
Доступні ціни Доступні ціни
Найкращі ціни на ринку завдяки прямим постачанням
Зручна оплата Зручна оплата
Платіть безконтактно через Apple Pay або Google Pay
Ви дивилися
Механізм під циліндр AGB Mediana Polaris B051035022 антична бронза 85мм (39876)
В наявності
Ручка на розетті Fimet Marion 1444-208 F01 латунь полірована R ф/з
В наявності
Механізм з ключем АRT DOOR M90K матовий хром 90мм (13291)
В наявності
Механізм Bonaiti Art 44 P2 фалевую нікель (278)
В наявності
Buonelle B2332USC60XX врізний 3-риг замок під циліндр нерж
В наявності
Новинка
Меблева ручка Bosetti Marella Vintage Radici, florence, бронза (31410)
В наявності
Закінчується
Механізм WC Bonaiti B.Two Art 951 поліртична бронза (28917)
В наявності