Замок 5-ригелів Mottura Art. 50798S5, 5 ключів, 60 mm, накладки, хром (49402)

Все про товар
Характеристики
Відгуків
0
Питання
0
В наявності
Артикул: 49402
Відгуки: 0
Знайшли дешевше?
3 704 грн.
Характеристики: (Дивитись усі)
Тип номенклатури
Замки вхідні Італія
Backset
66
Висота
35
Глибина
270
Додаткові параметри
Типорозмір врізного замка Mottura 50798 є одним з найбільш збігається варіантом з російськими аналогами щодо установки та розмірних характеристик.
Колір
Хром полірований
Опис
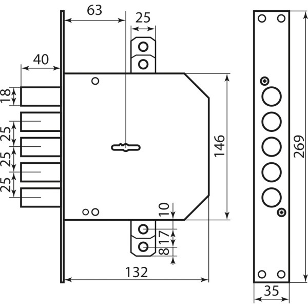
Замок для вхідних дверей Mottura 50798S5 - це 5-ригельний врізний, сувальдний замок. Цей замок призначений для встановлення в металеві або броньовані вхідні двері. Корпус та кришка замку виконані зі сталі. Відстань до ключового отвору (Backset) 63 мм. Врізний замок Mottura 50.798 комплектується ключами нового покоління зі змінним кодуванням, які мають незалежну ліву та праву сторони, оскільки відстань між протилежними зубцями змінюється від позиції до позиції. У зв'язку з цим значно утруднюється маніпуляційне розтин замку: визначення кодування ключа необхідно відтворити зміни обох сторін ключа і декодувати перший і другий оберти; завдяки несиметричності сторін ключа кількість кодових комбінацій зростає багаторазово. Врізний замок Mottura 50.798 поставляється з новим комплектом сувальд EASY GO, за допомогою якого можлива швидка заміна сувальдного механізму. Замки із сувальдами EASY GO мають ключі із зеленими головками. Замок Mottura 50.798 комплектується 6 сувальдами, серед яких є сувальди, що не мають пружин. Також блок сувальд розташований ближче до внутрішньої частини замку, а стійка хвостовика має вбудовану твердосплавну кульку, яка перешкоджає висвердлюванню. Ця обставина значно ускладнює розтин замку відмичками та іншими кримінальними способами. Підходить як для правих, так і лівих дверей. Сувальдні замки Mottura мають спеціальний запатентований механізм проти вдавлювання ригелів усередину замка. Рекомендується встановити марганцеву пластину для замку. Ригельна система висувається із замка на 40 мм, вбудовані тяги висуваються на 20 мм, діаметр ригелів становить 18 мм. Комплект ключів поставляється в індивідуальному впакуванні, в комплекті 5 ключів. Кількість кодових комбінацій 144 000. Замок для встановлення на лівий бік. Поради щодо догляду. Щоб уникнути поломки або заклинювання дверного замка, за ним необхідно правильно доглядати, адже в ньому може накопичуватися пил і бруд. Тому замки на дверях у квартири потрібно змащувати щонайменше один раз на рік, а у разі підвищеного навантаження до 4-х. Найбільш рекомендовано в цьому випадку використовувати засоби догляду за замками від виробника, які будуть спеціально призначені саме для даного типу замку. Замки для вхідних дверей Mottura - це надійні та якісні італійські замки, перевірені часом та позитивно зарекомендували себе серед професіоналів та споживачів.
Характеристики
Основные характеристики
Тип номенклатури
Замки вхідні Італія
Backset
66
Висота
35
Глибина
270
Додаткові параметри
Типорозмір врізного замка Mottura 50798 є одним з найбільш збігається варіантом з російськими аналогами щодо установки та розмірних характеристик.
Колір
Хром полірований
Країна виробник
Італія
Матеріал
Сталь
Основний колір
Хром
Принцип кріплення
Врізний
Рейтинг
20
Тип товарів
Замки для вхідних дверей
Тип товару
Механізм замку кл (циліндричний)
Торгова марка
Mottura
Ширина
135
Відгуки
0 / 5
середній рейтинг товару
0
0
0
0
0

Немає відгуків про цей товар, станьте першим, залиште свій відгук.

Питання та відповіді

Немає питань про даний товар, станьте першим і задайте своє питання.

- Новою Поштою по Україні
- Укрпоштою по Україні
- Накладений платіж
- Оплата online (Visa/MasterCard)
- Оплата на рахунок
- Актуальна наявність та ціна
- 100% оригінальний товар
- Повернення протягом 14 днів з моменту отримання товару
Замок 5-ригелів Mottura Art. 50798S5, 5 ключів, 60 mm, накладки, хром (49402)
3 704 грн.
Гарантія якості Гарантія якості
Весь товар сертифіковано та перевірене на знак якості
Швидка доставка Швидка доставка
Швидка доставка по всій країні на наступний день
Клієнтський сервіс Клієнтський сервіс
Служба підтримки клієнтів 24/7 без вихідних
Бонуси за покупки Бонуси за покупки
Нарахування бонусних балів за кожну покупку
Доступні ціни Доступні ціни
Найкращі ціни на ринку завдяки прямим постачанням
Зручна оплата Зручна оплата
Платіть безконтактно через Apple Pay або Google Pay
Ви дивилися
AGB Art. B010405006 Механізм для міжкімнатних дверей Mediana суміщений, нікель, 90мм (442)
В наявності
Врізна засувка Securemme 5700SCR06XXX15 для FR2019XCRXXXX оцинкований (54636)
В наявності
Ручка для розсувних дверей Fimet 3667r матовий чорний (комплект wc) (50269)
В наявності
Замок для вхідних дверей накладний електромеханічний CISA 11671.60.1 (5631)
В наявності
Закінчується
Ручка на розсувні Fimet 3663AR F01 полірована латунь комплект (33284)
В наявності
Замок для вхідних дверей 4-x ригеля з засувкою і допоміжним замком під євроциліндр Mottura 54797TBDR54 (2509)
В наявності
Закінчується
Карткова дверна Завіса Fuxia 610 F ліва, 100 * 3 * 3 мм латунь полірована
В наявності
Закінчується
Замок для вхідних дверей накладний електромеханічний CISA 11661.60.1 (5630)
В наявності
Закінчується